Колонна с вертикальной разделительной стенкой технологии
22 ноября 2025
Колонна с вертикальной разделительной стенкой
В последние годы на многих нефтеперерабатывающих заводах России проводились реконструкции технологических установок с целью повышения производительности и снижения операционных затрат.
Подробнее
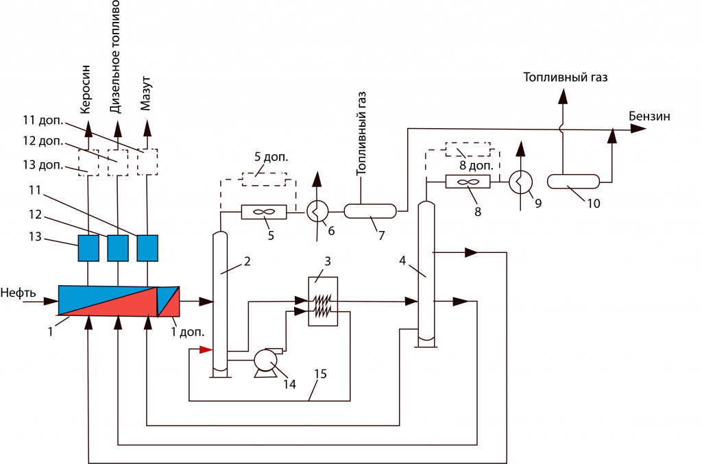
Перспективы мини-НПЗ технологии
22 ноября 2025
Перспективы мини-НПЗ
Вот уже более 30 лет АО «РЕОТЕК» (г.Ставрополь) поставляет установки атмосферной перегонки (АТ) нефти, или газового конденсата.
Подробнее
Причины и устранение сверхнормативной вибрации технологии
22 ноября 2025
Причины и устранение сверхнормативной вибрации
Вот уже более 25 лет АО «ИПН» устраняет сверхнормативную вибрацию (СВ) на трубопроводах и технологическом оборудовании десятков нефте- и газоперерабатывающих заводов, предприятиях нефте- и газохимии России.
Подробнее
Эффективный теплообмен обеспечивает операционную эффективность технологии
21 ноября 2025
Эффективный теплообмен обеспечивает операционную эффективность
В процессе развития нефтеперерабатывающей промышленности России наряду со строительством новых технологических установок осуществляется реконструкция или техперевооружение действующих, ранее построенных установок.
Подробнее
Преимущества DWC колонны для процесса отпарки кислой воды технологии
21 ноября 2025
Преимущества DWC колонны для процесса отпарки кислой воды
С учетом постоянного утяжеления нефтей, поступающих на переработку, и увеличения в них количества соединений серы и азота многие НПЗ сталкиваются с проблемой ограничения или падения производительности установки производс...
Подробнее
Новые векторы и ориентиры для отечественных НПЗ технологии
21 ноября 2025
Новые векторы и ориентиры для отечественных НПЗ
Именно с правильного прогноза рынков товарной продукции начинается работа над правильным бизнес-планом.
Подробнее
Дополнительная прибыль из нефтяного газа технологии
21 ноября 2025
Дополнительная прибыль из нефтяного газа
Многолетний практический опыт работы АО «ИПН» подтверждает экономическую целесообразность создания дополнительных производств СУГ на НПЗ и нефтегазовых месторождениях.  
Подробнее
НПЗ.Новые реалии – новые возможности технологии
21 ноября 2025
НПЗ.Новые реалии – новые возможности
Одной из основных задач нефтеперерабатывающей отрасли является увеличение глубины переработки нефти, которую связывают с типичными технологиями вторичных деструктивных процессов переработки. нефтяных остатков.
Подробнее
Мы используем cookie-файлы для наилучшего представления нашего сайта. Продолжая использовать этот сайт, вы соглашаетесь с использованием cookies в соответствии с Политикой конфиденциальности.
Принять