Г.С. Яицких Директор по развитию АО «ИПН»
Ю.А. Мельников ГИП АО «ИПН»
С.Л. Шакимов начальник отдела АО «ИПН»
Вот уже более 25 лет АО «ИПН» устраняет сверхнормативную вибрацию (СВ) на трубопроводах и технологическом оборудовании десятков нефте- и газоперерабатывающих заводов, предприятиях нефте- и газохимии России, ближнего и дальнего зарубежья. За эти годы вибрация устранена более чем на 300 промышленных объектах.
Часто причинами сверхнормативной вибрации являются ошибки проектантов, не учитывающих факторы, влияющие на её возникновение.
Опираясь на накопленные статистические данные, специалисты АО «ИПН» в процессе разработки проектной документации акцентируют внимание на виброопасных элементах технологических установок с целью недопущения сверхнормативной вибрации в процессе эксплуатации.
Работа «по заявкам» на устранение СВ от предприятий проводится специалистами АО «ИПН» по договорам. Ниже приведены несколько наиболее типичных видов СВ, устранённые в последние годы на нефтеперерабатывающих предприятиях.
Так на одном из заводов Нижегородской области наблюдалась СВ трубопровода подачи воды от деаэратора к питательным насосам. Поверочные теплогидравлические расчёты, выполненные в программе «Гидросистема 4.5» показали, что линейная скорость воды в трубе 1,09 м/с, что не превышает рекомендуемые значения. Кавитационный запас сети составляет 7,0 м, в то время как по характеристикам насосов достаточно 4,0 м, поэтому кавитация в насосах исключается.
Причина СВ в данном случае – недостаточно жёсткая опорная система трубопровода(Рис.1);были применены нежесткие опоры —
подвески типа Hilti (Рис.2),которые позволяли трубопроводу достаточно свободно перемещаться во всех направлениях под воздействием даже незначительных по силе пульсаций потока.

Рис. 1. Изометрическая схема трубопровода с опорными конструкциями

Рис. 2. Подвески типа Hilti (на Рис.1 точки 27, 26, 25, 24)
Ещё одним недостатком вышеуказанной конструкции трубопровода было отсутствие мероприятий для компенсации теплового расширения (удлинения) трубопровода при нагреве его до 100оС, что привело к значительным нагрузкам, передаваемым трубопроводом в результате линейных расширений на штуцеры насосов, которые превышали допустимые значения.
На Рис.3 представлена предложенная специалистами АО «ИПН» конструкция этого трубопровода, позволяющая компенсировать тепловые удлинения участков трубы с целью минимизации нагрузок на штуцеры насосов. Показанные на рисунке скользящие опоры №№ 11, 12,16, 22, 57, 58 позволяют при нагреве перемещаться участкам трубопровода в допустимых пределах, снижая нагрузки, передаваемые от трубопровода на штуцеры насосов, до нормативных значений. В то же время скользящие опоры не допускают развития сверхнормативной вибрации.
Величины нагрузок и выполнение условий прочности элементов трубопровода были определены с использованием расчётной сертифицированной программы «Старт».
По результатам расчёта было определено, что новая конфигурация трубопровода и правильная расстановка опор снижают нагрузки на штуцеры насосов до нормативных значений, при этом условия прочности выполняются для всех элементов трубопровода.

Рис 3. Оптимизированная изометрическая схема трубопровода с опорными конструкциями
Нередко СВ возникает в трубопроводах с двухфазными потоками. На установках ЭЛОУ-АВТ виброопасными являются трансферные трубопроводы от печей до ректификационных колонн (основной атмосферной и вакуумной), а также трубопровод на входе в отбензинивающую колонну. Разработка проектной документации этих трубопроводов должна включать следующие этапы:
1.Трассировку трубопровода. Гипотетически идеальная конфигурация такого трубопровода – прямая линия с компенсатором (линзовым, сильфонным и т.п.) для компенсации температурного удлинения трубы. Такая конфигурация практически полностью должна исключить сверхнормативную вибрацию независимо от характера потока (кольцевой, снарядный, турбулентный).
Однако на практике проектировщики чаще применяют П-образные, Г-образные, Z-образные трубные компенсаторы с радиусом отводов 1,5 DN;применяются пружинные опоры, подвески, что в конечном итоге приводит к сверхнормативной вибрации.
Для снижения вибрации необходимо:
— по возможности минимизировать количество поворотов трубопровода;
— радиусы отводов предусмотреть не менее 3DN;
— по возможности исключить применение запорной арматуры, обратных клапанов на данном трубопроводе;
— максимально использовать для трубопроводов большого диаметра усиленных тугоподвижных хомутовых опор по типу ОТП (см. Рис. 4).

Рис. 4. Тугоподвижная хомутовая корпусная опора
2.С учётом предварительно разработанной конфигурации трубопровода определяются нагрузки от него на штуцеры технологических аппаратов, возникающие при выходе технологической установки на регламентный температурный режим.
Преследуя цель снизить эти нагрузки, проектировщики нередко увлекаются дополнительными изменениями конфигурации трубопровода – лишними поворотами, различными трубными компенсаторами, применением пружинных опор и т.п. Однако при снижении такими методами нагрузок на штуцеры аппаратов увеличивается вероятность сверхнормативной вибрации.
По мнению опытных специалистов более целесообразно просто усилить штуцеры (дополнительные накладки, увеличение толщины штуцера и т.д.), обеспечив возможность нести дополнительные нагрузки.
3. Далее выполняется теплогидравлический расчёт трубопровода с целью определения оптимального диаметра, который должен обеспечивать скорость потока не более 0,8Маха на всех участках трубы. Это обеспечивает дисперсно-кольцевой режим движения двухфазного потока внутри трубопровода. Нужно избегать снарядного режима потока с целью минимизации вибрации трубопровода.
4. Производится расчёт на прочность трубопровода; определяется толщина его элементов, уточняется конфигурация участков трубопровода, при которой нагрузки на штуцеры аппаратов не превышают допустимые значения.
5. В случае изменения конфигурации трубопровода по результатам расчёта на прочность повторно производится поверочный теплогидравлический расчёт.
В качестве негативного примера приводится выполненный с ошибками проект трансферного трубопровода на одном из заводов центрального федерального округа России. На Рис. 5 и фотографии 6 показана первоначальная конфигурация трубопровода по которому двухфазный поток из печи подавался в ректификационную колонну.
На участках трубопровода 5-16,13-8 была сверхнормативная вибрация по следующим причинам:
— отсутствие расчета габаритных размеров П-образных компенсаторов;
— использование для П-образных компенсаторов крутоизогнутых отводов с радиусом 1,5DN;
— неправильное закрепление трубопровода;
— наличие по факту неработающих опор трубопровода (см. Рис. 5 в точках 49, 50);
— наличие тройниковых врезок в точках 8 и 16.
Специалистами АО «ИПН» была предложена оптимизированная
конфигурация трубопровода и корректировка типа и схемы расположения опор, обеспечивающая вибрацию в пределах нормативных значений – Рис.7.
Для максимального снижения вибрации и обеспечения условий прочности трубопровода, обеспечения выполнения требований по допускаемым нагрузкам на штуцера оборудования были выполнены мероприятия:
— в точках 51, 52 установлены дополнительные направляющие опоры (с ограничением на поперечное перемещение), в точках 15, 16 (рис. 7) необходимо восстановить опорные конструкции за счет обеспечения контактирующей поверхности опоры трубопровода и опорной конструкции колонны;
— для выравнивания потока, с учетом применения неподвижных нестандартных опор и опасности возникновения вибрации, рекомендовано изменить габаритные размеры, конфигурацию трубопровода за счет корректировки П-образного компенсатора на участках 2-3-4, 10-11-12, за счет сглаживания потока, снижения вылета и использования отводов с радиусом 3DN;
— для сглаживания потока в точках 8 и 16 (Рис. 5), с учетом стесненных условий существующей обвязки – заменить тройниковые врезки, под прямым углом, на отводы с радиусом 1,5DN (см точки 7 и 8 Рис. 7).

Рис. 5 Существующая конструкция трансферного трубопровода с опорными конструкциями

Рис. 6 Фотография существующего трансферного трубопровода

Рис.7 Оптимизированная конфигурация трансферного трубопровода с опорными конструкциями
Новая конфигурация трубопровода (Рис. 7) была проверена расчётом на прочность, который показал, что в элементах трубопровода выполняются условия прочности, а нагрузки на штуцеры технологических аппаратов не превышают допустимых значений. Теплогидравлический расчёт показал, что в трубопроводе кольцевой режим движения потока.
Анализ выявленных за 25 лет специалистами АО «ИПН» ошибок проектирования трубопроводов и технологических узлов НПЗ позволяет сделать вывод о том, что далеко не все проектные организации имеют достаточно компетенций для выполнения такого рода работ. Поэтому тендерным подразделениям заводов, проводя закупочные процедуры на выполнение проектных работ, рекомендуется обращать особое внимание на компетенции проектировщика в части монтажного проектирования виброопасных технологических узлов, строящейся (или реконструируемой) технологической установки.
Реализация вышеуказанной концепции ремонта и обслуживания на нефтеперерабатывающих предприятиях невозможна без организации эффективной системы сбора и анализа информации о текущем техническом состоянии технологического оборудования, что, в свою очередь, накладывает определенные требования на способы, методы и средства получения подобной информации [1].
Система сбора и анализа оперативной информации о текущем техническом состоянии оборудования нефтеперерабатывающих предприятий должна предусматривать следующие виды контроля:
— непрерывный контроль (мониторинг технического состояния) наиболее ответственного оборудования в процессе его эксплуатации;
— периодический контроль менее ответственного оборудования в процессе эксплуатации;
— входной контроль материалов, применяемых при монтаже и ремонте оборудования;
— приемочный контроль после монтажа и ремонта оборудования перед допуском его в эксплуатацию;
— контроль полноты и правильности действий персонала, ответственного за эксплуатацию и ремонт оборудования.
Важнейшая роль в описанной системе сбора и анализа информации отводится мониторингу технического состояния наиболее ответственного нефтеперерабатывающего оборудования в процессе эксплуатации, который должен в режиме реального времени решать следующие задачи:
— обнаруживать дефекты, представляющие опасность для целостности и работоспособности эксплуатируемого оборудования;
— определять с необходимой точностью местоположение, тип и характер обнаруженных дефектов;
— адекватно оценивать степень опасности обнаруженных дефектов;
— регистрировать динамику развития обнаруженных дефектов и прогнозировать момент перехода оборудования в критическое состояние;
— предупреждать эксплуатационный персонал о приближении критического состояния оборудования и своевременно предотвращать аварийные ситуации путем выработки управляющих воздействий.
Для решения вышеперечисленных задач предлагается использовать системы комплексного диагностического мониторинга (СКДМ) технического состояния, основанные на методах неразрушающего и параметрического контроля. Обобщенная функциональная схема СКДМ технического состояния приведена на рис. 1. Согласно этой схеме в СКДМ выделяются измерительная, вычислительная и исполнительная части. Методы и средства, обеспечивающие функционирование каждой из этих частей, варьируются в зависимости от параметров контролируемого оборудования и условий мониторинга. Измерительная часть представлена многофункциональными модулями сбора и обработки данных (МСОД), получающими информацию с диагностических и параметрических датчиков. К первым следует отнести датчики акустической эмиссии (АЭ), вибрации, деформации, скорости коррозии, линейных перемещений, акселерометры, инклинометры и т.п., регистрирующие изменения состояния материала контролируемого оборудования и положения оборудования в пространстве. Ко вторым относятся датчики, регистрирующие параметры эксплуатации оборудования (давление, температуру, уровень рабочей среды и т.п.) и параметры окружающей среды (уровень осадков, температуру воздуха, направление и силу ветра и т.п.). Вычислительная часть состоит из центральной вычислительной станции (ЦВС), устанавливаемой в помещении операторной, а также из промежуточных вычислительных станций, устанавливаемых недалеко от контролируемого оборудования. Исполнительная часть представляет собой запорно-регулирующую арматуру (клапаны, задвижки, заслонки и т.п.), позволяющую управлять режимом работы контролируемого оборудования.

Рис. 1. Обобщенная функциональная схема СКДМ технического состояния нефтеперерабатывающего оборудования
На рис. 2 приведена обобщенная структурная схема предлагаемой СКДМ технического состояния нефтеперерабатывающего оборудования с различными вариантами построения: 1 – для оборудования, расположенного поблизости от ЦВС; 2 – для группы близко расположенных единиц технологического оборудования; 3 – для протяженного (крупногабаритного) оборудования или единиц оборудования, находящихся на значительном удалении друг от друга и ЦВС.

Рис. 2. Обобщенная структурная схема СКДМ технического состояния нефтеперерабатывающего оборудования с различными вариантами построения
Рассматривая мониторинг как важнейшую составляющую системы получения оперативной и достоверной информации о текущем техническом состоянии нефтеперерабатывающего оборудования, следует отметить, что особое значение имеет мониторинг оборудования с критическими дефектами, вынужденно эксплуатируемого по причине неремонтопригодности или невозможности его замены в кратчайшие сроки, а также оборудования, фактические параметры эксплуатации которого превышают проектные значения. Риск отказов такого нефтеперерабатывающего оборудования несоизмеримо выше, поэтому оно должно быть в первую очередь оснащено системами мониторинга технического состояния.
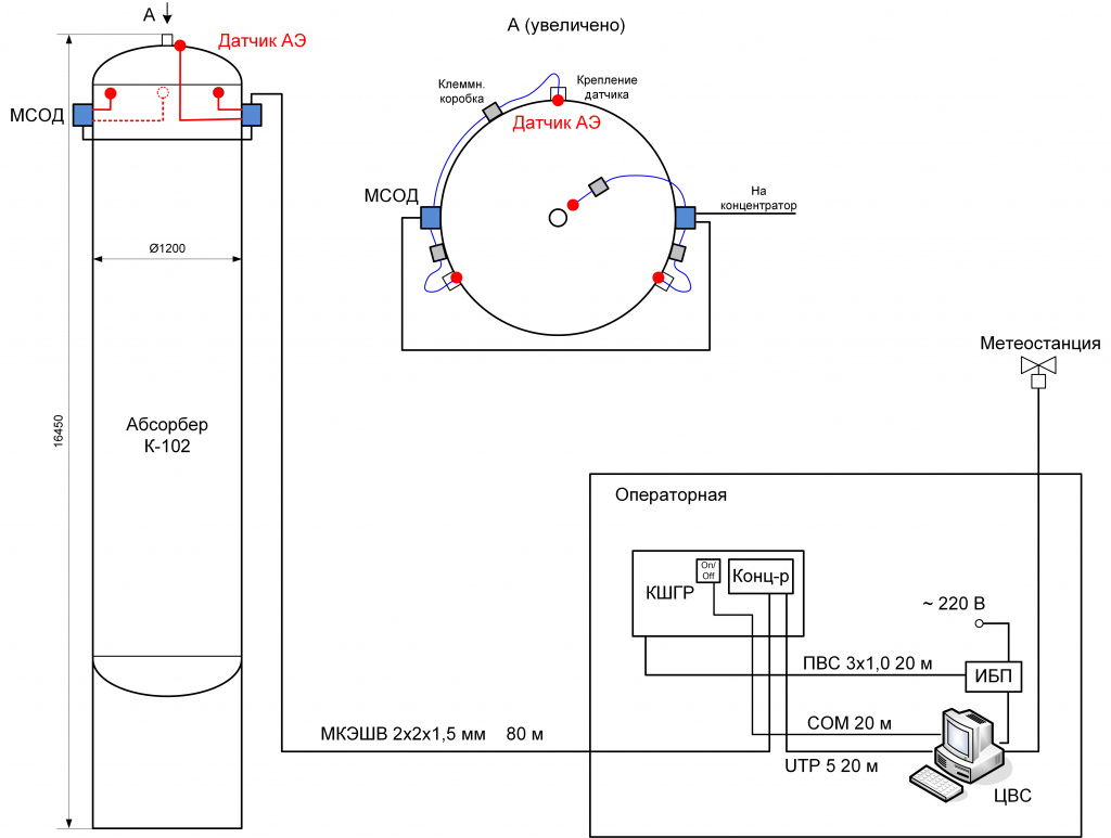
В качестве примера успешной реализации на практике указанных принципов построения СКДМ можно привести опыт разработки и внедрения системы мониторинга технического состояния абсорбера циркулирующего газа К-102 на установке ЛЧ-24/7 одного из нефтеперерабатывающих заводов ПАО «НК «Роснефть» [2]. Указанный абсорбер эксплуатировался с 1970 г. со следующими параметрами: рабочее давление – 4,2 МПа, рабочая температура +45 оС, рабочая среда – 15% раствор моноэтаноламина в смеси с водородсодержащим газом и сероводородом. Абсорбер был изготовлен из легированной стали марок 11483.1 и 11474.1 (ЧССР), его толщина составляла 24 мм, внутренний диаметр и высота соответственно равны 1200 и 16450 мм. Верхняя часть абсорбера имела критические дефекты в виде расслоения (площадью около 0,4 м2, глубиной от 6,1 до 12,4 мм) металла днища и трещины (длиной 140 мм, глубиной от 12 до 14 мм) с внутренней стороны абсорбера в сварном шве приварки днища к корпусу. Ремонт этих дефектов с применением сварочных работ был признан нецелесообразным в связи с опасностью последующего коррозионного растрескивания металла абсорбера, а полная замена верхней части в период текущего ремонта являлась невозможной из-за отсутствия необходимых материалов. Поэтому было принято решение об оснащении абсорбера К-102 системой мониторинга для непрерывного наблюдения за динамикой развития имеющихся дефектов в процессе эксплуатации и заменой дефектных элементов при очередном капитальном ремонте установки.
Основным методом контроля технического состояния абсорбера К-102 при построении системы мониторинга был выбран акустико-эмиссионный метод неразрушающего контроля. Он обеспечивает высокую чувствительность к развивающимся дефектам и позволяет выполнять адекватную оценку степени их опасности в режиме реального времени. Кроме того, в число параметров, контролируемых системой мониторинга, были включены давление и температура рабочей среды внутри абсорбера, а также параметры метеорологической обстановки на производственной площадке. Их регистрация была необходима для нахождения корреляции с параметрами сигналов АЭ и построения трендов зависимости технического состояния абсорбера от влияния различных факторов.
Технические средства в составе разработанной системы мониторинга по способу и месту установки были разделены на средства измерения, установленные непосредственно на поверхности абсорбера К-102, и оборудование, установленное в помещении операторной.
К средствам измерения, непосредственно установленным на поверхности абсорбера К-102, относились:
— 4 датчика АЭ, расположенные в защитных гильзах, приваренных к корпусу абсорбера;
— 2 МСОД, содержащие аналоговые и цифровые частотные фильтры, усилители, аналого-цифровые преобразователи, цифровые компараторы амплитуды, вычислительные устройства для расчета характеристик сигналов АЭ, а также измерительные каналы токовой петли для регистрации медленно меняющихся параметров (типа давления и температуры) с первичных или вторичных преобразователей, оснащенных токовым выходом 4-20 мА;
— 3 клеммные коробки;
— комплект соединительных кабелей (измерительных линий).
В состав оборудования, установленного в помещении операторной, входили:
— ЦВС, содержащая системный блок, монитор с жидкокристаллическим дисплеем, клавиатуру, мышь, источник бесперебойного питания (ИБП);
— коммутационный шкаф гальванической развязки (КШГР);
— консоль метеостанции;
— комплект соединительных кабелей (измерительных линий).
Сигналы АЭ, возникающие в результате действия эксплуатационных, ветровых нагрузок и осадков регистрировались четырьмя датчиками АЭ, установленными в верхней части абсорбера К-102. Три датчика АЭ были установлены по периметру шва приварки верхнего днища к корпусу абсорбера на равном расстоянии друг от друга и смещены на 200 мм вниз от уровня указанного сварного шва. Один датчик АЭ был установлен на верхнем днище абсорбера.
Каждая пара датчиков АЭ подключалась к многофункциональному модулю МСОД, который обеспечивал гальваническую развязку измерительных каналов, прием аналоговых сигналов с датчиков АЭ и датчиков контроля дополнительных параметров, преобразование их в цифровую форму и последующую обработку. Оба МСОД были соединены одной измерительной линией (кабель типа МКЭШВ 2х2х1,5 мм). Линия подключалась к концентратору, который располагался внутри КШГР, который, в свою очередь, был установлен в помещении операторной установки ЛЧ-24/7. Концентратор обеспечивает электропитанием подключенные к нему МСОД, принимал и обрабатывал поступающую от них информацию. Кроме концентратора КШГР содержал источники питания класса AC/DC, буферные модули, медиаконвертер, предохранитель, автоматический выключатель, контактор, несущие DIN-рейки, шины заземления, коммутационные клеммы и стопоры. Буферные модули были предназначены для продолжения работы системы мониторинга в течение нескольких секунд после несанкционированного отключения электропитания и корректного завершения ее работы. Предохранитель и автоматический выключатель обеспечивали защиту электрических цепей от перегрузки и короткого замыкания. Контактор обеспечивал коммутацию электропитания при нажатии на кнопку включения/выключения КШГР и разрыв цепи электропитания при его несанкционированном отключении.
С выхода КШГР информация поступала в ЦВС. ЦВС, используя стандартные протоколы обмена, обеспечивая режим удалённого доступа с поддержкой управления и передачи данных. На ЦВС также поступала информация о метеорологических параметрах с метеостанции и об эксплуатационных параметрах с датчиков давления и температуры. Накапливаемая информация сохранялась на жестком диске компьютера в виде базы данных и в любое время могла быть извлечена для последующего анализа технического состояния абсорбера К-102.
Структурная схема разработанной СКДМ технического состояния абсорбера циркулирующего газа К-102 приведена на рис. 3.

Рис. 3. Структурная схема СКДМ технического состояния абсорбера К-102
Для вышеописанной системы мониторинга было разработано соответствующее алгоритмическое и программное обеспечение, которое обеспечивало оценку технического состояния абсорбера К-102 в процессе эксплуатации на основании критериев, учитывающих изменение скорости регистрации сигналов АЭ и их основных параметров (амплитуды, энергии, длительности, количества выбросов, времени нарастания и пр.) в зависимости от действия эксплуатационных нагрузок и изменения метеорологической обстановки на производственной площадке.
Обслуживающий персонал установки ЛЧ-24/7 получал оперативную информацию о техническом состоянии абсорбера К-102 в виде цветовых индикаций и сообщений в информационном поле программы на экране монитора ЦВС. Там же отображались рекомендации для обслуживающего персонала.
Для оценки изменения технического состояния абсорбера К-102 были предусмотрены следующие индикации:
— индикация «НОРМА», показывающая, что СКДМ функционирует в штатном режиме, техническое состояние абсорбера не ухудшается (информационное поле программы при этом имеет зеленый цвет);
— индикация «ВНИМАНИЕ», показывающая, что СКДМ зарегистрировала ухудшение технического состояния абсорбера (информационное поле программы при этом имеет желтый цвет, а в панели сообщений желтым цветом выведена строка «Опасный источник АЭ»);
— индикация «ТРЕВОГА», показывающая, что СКДМ зарегистрировала приближение технического состояния абсорбера к критическому значению, существует возможность разгерметизации абсорбера, обслуживающему персоналу выдаются рекомендации по срочному снижению эксплуатационных нагрузок на абсорбер (информационное поле программы при этом имеет красный цвет, а в панели сообщений красным цветом выведена строка «Критический источник АЭ»).
Для повышения надежности функционирования аппаратной части и обеспечения достоверности измерений в установленной системе мониторинга был реализован алгоритм автоматической калибровки датчиков АЭ и самотестирование измерительных каналов (не реже 1 раза в сутки).
Вышеописанная СКДМ в течение 15 месяцев надежно функционировала, обеспечивая в режиме реального времени безаварийную эксплуатацию абсорбера. Использование данной СКДМ позволило спланировать своевременную замену аппарата. Опыт внедрения и эксплуатации данной СКДМ свидетельствует о большой перспективе применения систем подобного класса при переходе на обслуживание и ремонт технологического оборудования по фактическому техническому состоянию. Предлагаемые принципы могут быть широко использованы для построения целого класса систем непрерывного мониторинга технического состояния наиболее сложного и ответственного оборудования предприятий нефтеперерабатывающей промышленности.
БИБЛИОГРАФИЧЕСКИЙ СПИСОК
1. Махутов Н.А., Пермяков В.Н. Ресурс безопасной эксплуатации сосудов и трубопроводов. – Новосибирск: Наука, 2005. – 516 с.
2. Харебов В.Г., Мисейко А.Н., Ушаков А.С. Опыт и перспективы внедрения систем мониторинга технического состояния нефтеперерабатывающего оборудования с дефектами // Акустическая эмиссия. Роль метода в системах мониторинга технического состояния опасных производственных объектов: Тр. III Междунар. конф. – Москва: ИНТЕРЮНИС. – 2013. – с. 179-187.