Яицких Г.С. Директор по развитию АО «ИПН» Yaitskich@truboprovod.ru
Кулаков К.П. Технический директор АО «ИПН»Kulakov@truboprovod.ru
Потылицын М.Н. Директор ООО «СТИМ» Maksim.Potylitsyn@stim-he.ru
Кабаев А.В. Руководитель по продажам ООО «СТИМ»Alexey.Kabaev@stim-he.ru
В процессе развития нефтеперерабатывающей промышленности России наряду со строительством новых технологических установок осуществляется реконструкция или техперевооружение действующих, ранее построенных установок.
Построенные по проектам советских и российских инжиниринговых компаний технологические установки ЭЛОУ-АТ, ЭЛОУ-АВТ имеют резервы по мощности печей, по диаметрам ректификационных колонн и технологических трубопроводов, по производительности большей части насосов, по несущей способности строительных конструкций. Указанные резервы позволили на некоторых российских НПЗ увеличить производительность установок первичной переработки нефти (относительно проектных показателей), что принесло существенную дополнительную прибыль этим предприятиям.
Однако необходимо отметить, что чаще всего при работе на повышенной загрузке на установках выявляются следующие типичные проблемы:
— температуры нефтепродуктов – бензина, керосина, дизельного топлива и мазута, выводимых с установки, зачастую превышают регламентные значения;
— снижается температура нефти на входе в отбензинивающую колонну, вследствие чего необходимо увеличить объём «горячей струи» 15 (рис.1) для подвода тепла в низ колонны;
— вследствие увеличения тепловой нагрузки на печь (увеличения объёма «горячей струи» и потока отбензиненной нефти) температуры её змеевика и футеровки значительно превышают проектные значения.
Увеличение температур нефтепродуктов на выходе с установки обусловлено недостаточностью поверхности теплообмена как рекуперативных теплообменников, так и холодильников (воздушных и водяных).Для решения этой проблемы, как правило, устанавливают дополнительные воздушные и/или водяные холодильники 5 доп.,8 доп.,11 доп.,12 доп.,13 доп. (рис.1). При этом существенно увеличивается потребление электрической энергии, оборотной воды.

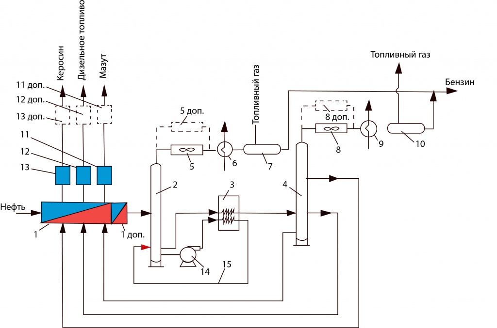
Рисунок 1. Тепловые потоки установки АТ:
1 – группа теплообменных аппаратов для рекуперации теплоты керосина, дизельного топлива, мазута;
1 доп. – дополнительные теплообменные аппараты для рекуперации теплоты керосина, дизельного топлива, мазута;
2 – отбензинивающая колонна;
3 – печь;
4 – основная ректификационная колонна со стриппингами;
5, 8 – воздушные холодильники-конденсаторы паров бензина
на выходе из колонн;
5 доп., 8 доп. – дополнительные холодильники-конденсаторы бензина;
6, 9 – водяные холодильники бензина;
7, 10 – рефлюксные емкости;
11, 12, 13 – аппараты финишного охлаждения мазута, керосина, дизельного топлива;
11 доп.,12 доп.,13 доп. – дополнительные аппараты финишного охлаждения мазута, керосина, дизельного топлива;
14 – насос «горячей струи»;
15 – трубопровод «горячей струи»
Увеличение мощности печи 3 обеспечивается сжиганием дополнительных сверхнормативных объёмов топлива. Возможность эксплуатации печи при повышенных (по сравнению с проектными) температурах технические специалисты НПЗ обычно пытаются узаконить посредством согласования у проектной организации. Необходимо отметить, что этот путь ведёт к значительному сокращению срока службы печи. По этой причине проектировщик печи часто не согласовывает регламент эксплуатации печи при чрезмерных температурных перегрузках её элементов.
Более экономически, технически и экологически целесообразным вариантом решения вышеописанных проблем является установка группы дополнительных теплообменных аппаратов 1 доп. Как правило, это позволяет исключить необходимость установки дополнительных аппаратов финишного охлаждения 5 доп., 8 доп., 11 доп., 12 доп., 13 доп.; экономится электроэнергия, оборотная вода. Кроме того, такое решение позволяет в значительной степени снизить тепловую нагрузку на печь и, следовательно, сэкономить большой объём топлива, уменьшить негативное воздействие на окружающую среду (уменьшение соответствующих платежей), увеличить срок службы печи. При наиболее удачных схемных решениях теплообмена удаётся исключить «горячую струю» и применение оборотной воды в холодильниках.
Для размещения дополнительных теплообменных аппаратов 1 доп. на существующих строительных конструкциях необходимо выполнить следующие работы:
1. Выполнить технологический расчёт схемы теплообмена на заданную повышенную производительность установки, определение необходимых новых теплообменных аппаратов, их характеристики.
2. Разместить дополнительные теплообменные аппараты на существующих строительных конструкциях, либо заменить старые аппараты на теплообменники большей мощности.
3. Выполнить проектную документацию переобвязки трубопроводами, приборами КИПиА действующих теплообменников и обвязки новых теплообменников.
4. Провести обследование строительных конструкций и их расчёты на повышенную нагрузку (с учётом дополнительных аппаратов); при необходимости разработать мероприятия по их усилению.
5. Выполнить необходимую экспертизу проектной документации.
6. Закупить оборудование, трубы, фитинги и др. и произвести монтаж и переобвязку теплообменников, усиление строительных конструкций.
За последние 10 лет по проектам АО «ИПН» была проведена реконструкция семи технологических установок АТ и АВТ на нефтеперерабатывающих заводах Центрального, Северо-Западного и Южного федеральных округов России. Как показала практика, затраты на реконструкцию технологической установки с увеличением её производительности на 20…50% и приведению к требованиям современных норм обычно составляют не более 15…35% от объёма затрат на строительство новой установки такой же производительности.
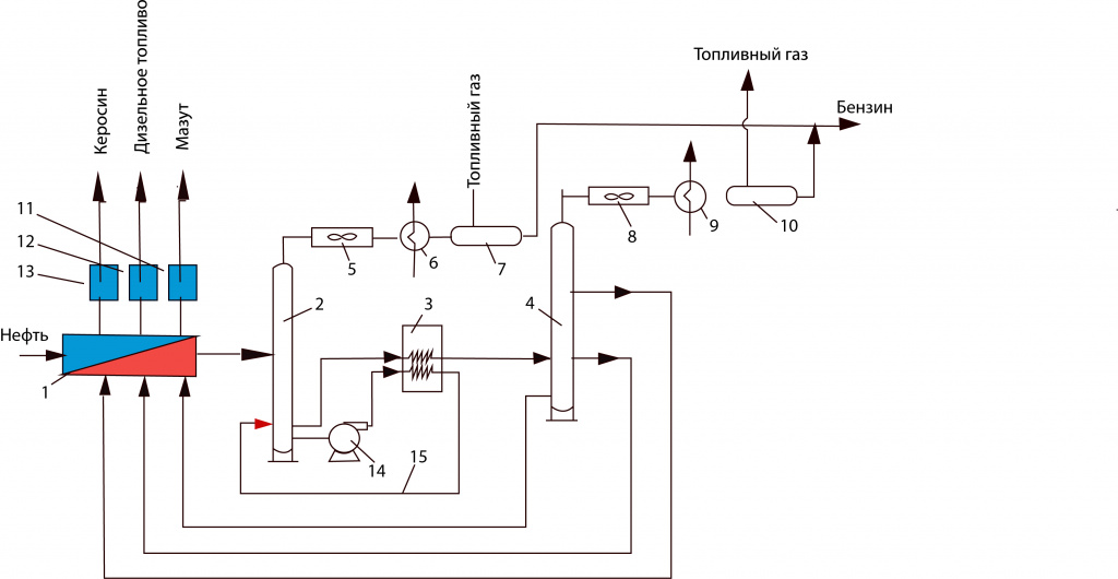
С появлением на рынке нефтегазового оборудования трубных пучков с витыми трубками и проволочных интенсификаторов для теплообменников появилась возможность достичь целей повышения производительности технологических установок с гораздо меньшими финансовыми затратами. На рис.2 в качестве примера представлена схема тепловых потоков установки АТ с использованием витых трубных пучков (рис.3).

Рисунок 3 Витой трубный пучок
В этой схеме нет ни дополнительных аппаратов финишного охлаждения мазута, керосина, дизельного топлива 11 доп.,12 доп.,13 доп., ни дополнительных теплообменных аппаратов для рекуперации тепла керосина, дизельного топлива, мазута 1 доп. Достаточно заменить в существующих теплообменниках гладкие трубные пучки на витые. Такая замена позволяет увеличить теплопередачу на 20…40% с минимальными капитальными затратами на техперевооружение технологических установок. При этом снижается гидравлическое сопротивление потокам теплоносителей, а также снижается загрязнение поверхности теплообмена, что в свою очередь увеличивает цикл непрерывной работы аппаратов.
Для повышения производительности теплообменников, где производится рекуперация тепла мазута, целесообразно оснастить трубки проволочными интенсификаторами рис.4,что позволит повысить эффективность теплообмена на 20…30%, при этом снижается загрязнение поверхности теплообмена, что в свою очередь увеличивает цикл непрерывной работы аппаратов.

Рисунок 4 Проволочные интенсификаторы
Для увеличения производительности водяных холодильников бензина 6 и 9 (рис.2) также могут использоваться трубные пучки с витыми трубками, что позволит повысить их эффективность на 30…40%.Необходимость установки дополнительных холодильников-конденсаторов бензина 5 доп. и 8 доп. (рис.1) определяется расчётом схемы теплообмена установки.

Рисунок 2. Схема теплообмена установки АТ с использованием витых трубок и проволочных интенсификаторов:
1 – группа теплообменных аппаратов для рекуперации теплоты керосина, дизельного топлива, мазута;
2 – отбензинивающая колонна;
3 – печь;
4 – основная ректификационная колонна со стриппингами;
5, 8 – воздушные холодильники-конденсаторы паров бензина
на выходе из колонн;
6, 9 – водяные холодильники бензина;
7, 10 – рефлюксные емкости;
11, 12, 13 – аппараты финишного охлаждения мазута, керосина, дизельного топлива;
14 – насос «горячей струи»;
15 – трубопровод «горячей струи»
Обладая большим практическим опытом реконструкции «старых» технологических установок, АО «ИПН» совместно с ООО «СТИМ» могут выполнить:
— разработку ТЭО или базового проекта реконструкции с целью повышения производительности старой установки и приведению её к нормам безопасности (при необходимости);
— согласовать ТЭО или базовый проект с Заказчиком;
— разработать рабочую, при необходимости, проектную документацию;
— сопровождение необходимых экспертиз проектной документации;
— авторский надзор за строительно-монтажными работами;
— внесение изменений в технологический регламент установки.